BRASS
BALL VALVES

DESCRIPTION

Our full port brass ball valves are designed for use with water, oil, gas, and air. The threaded end brass ball valves are ideal for many common uses where lead-free construction is required. The brass ball valve is rated to 600 PSI and stocked in full port for minimal pressure drop.

DESIGN FEATURES

  • Available in 1/4” thru 4” Full Port
  • Rated to 600 WOG PSI
  • Blow-out Proof Stem
  • Female NPT x Female NPT Threaded Connection
  • PTFE Seats with VITON Seals
+
Parts
More Info
+
Dimensions
More Info

BRASS
BALL VALVES

Description

Our full port brass ball valves are designed for use with water, oil, gas, and air. The threaded end brass ball valves are ideal for many common uses where lead-free construction is required. The brass ball valve is rated to 600 PSI and stocked in full port for minimal pressure drop.
+
Dimensions
More Info
+
Parts
More Info
+
Dimensions
More Info
+
Parts
More Info

DESIGN FEATURES

  • Available in 1/4” thru 4” Full Port
  • Rated to 600 WOG PSI
  • Blow-out Proof Stem
  • Female NPT x Female NPT Threaded Connection
  • PTFE Seats with VITON Seals

BRASS
BALL VALVES

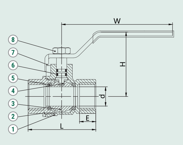
ID Model # Size Working Pressure D L E H W
1 15-02519FP 1/4” 600 0.39 1.71 0.43 1.57 3.27
2 15-03719FP 3/8” 600 0.39 1.71 0.43 1.57 3.27
3 15-05019FP 1/2” 600 0.59 2.01 0.49 1.77 3.78
4 15-07519FP 3/4” 600 0.75 2.22 0.51 1.99 3.78
5 15-12019FP 1” 600 0.98 2.62 0.59 2.36 4.59
6 15-12519FP 1-1/4” 600 1.24 3.13 0.65 2.68 4.74
7 15-15019FP 1-1/2” 600 1.46 3.25 0.59 3.15 5.71
8 15-22019FP 2” 600 1.77 3.84 0.71 3.44 5.71
9 15-22519FP 2-1/2” 600 2.44 4.86 0.79 4.96 10.55
10 15-32019FP 3” 600 2.87 5.63 0.96 5.28 10.55
11 15-42019FP 4” 600 3.54 6.56 1.00 5.91 10.55

BRASS
BALL VALVES

ID Model # Size Working Pressure D L E H W
1 15.02419FP 1/4” 600 0.39 1.71 0.43 1.57 3.27
2 15.03719FP 3/8” 600 0.39 1.71 0.43 1.57 3.27
3 15.05019FP 1/2” 600 0.59 2.01 0.49 1.77 3.78
4 15.07519FP 3/4” 600 0.75 2.22 0.51 1.99 3.78
5 15.12019FP 1” 600 0.98 2.62 0.59 2.36 4.59
6 15.12519FP 1 1/4” 600 1.24 3.13 0.65 2.68 4.74
7 15.15019FP 1 1/2” 600 1.46 3.25 0.59 3.15 5.71
8 15.22019FP 2” 600 1.77 3.84 0.71 3.44 5.71
9 15.22519FP 2 1/2” 600 2.44 4.86 0.79 4.96 10.55
10 15.32019FP 3” 600 2.87 5.63 0.96 5.28 10.55
11 15.42019FP 4” 600 3.54 6.56 1.00 5.91 10.55

BRASS
BALL VALVES

ID Part Material
1 Body HPb 57-3
2 Bonnet HPb 57-3
3 Ball HPb 57-3
4 Stem HPb 57-3
5 Seat PTFE
6 O-Ring VITON
7 Handle Q235
8 Hex Nut Q235

BRASS
BALL VALVES

ID Part Material
1 Body HPb 57-3
2 Bonnet HPb 57-3
3 Ball HPb 57-3
4 Stem HPb 57-3
5 Seat PTFE
6 O-Ring VITON
7 Handle Q235
8 Hex Nut Q235

Contact Us

Get in Touch

5250 North Sam Houston Pkwy W #800
Houston, TX 77086

CONTACT US




    Get in Touch

    5250 North Sam Houston Pkwy W #800
    Houston, TX 77086

    281-909-3711
    sales@tulsavalve.com